📷
Yükleniyor...
HALDER Bilyalı ve iç altıgenli setiskur vidalar başlı
HALDER
HALDER Bilyalı ve iç altıgenli setiskur vidalar başlı
Whatsapp ile Sipariş Ver

 

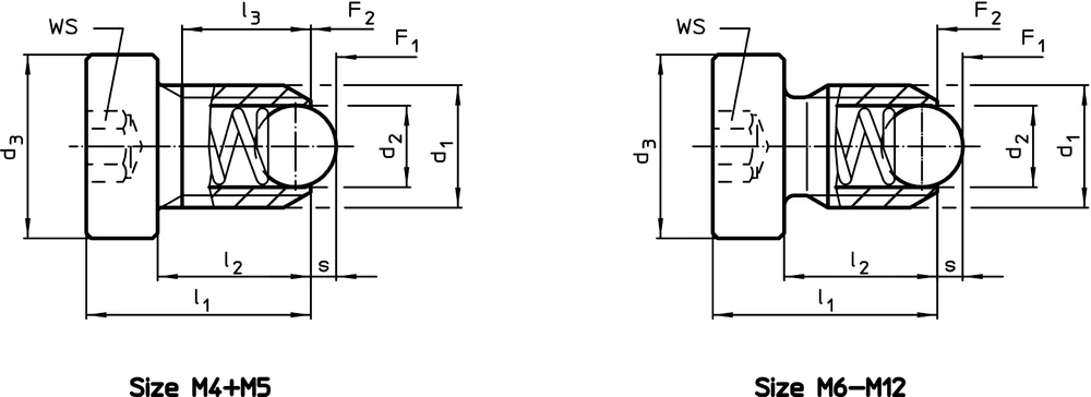
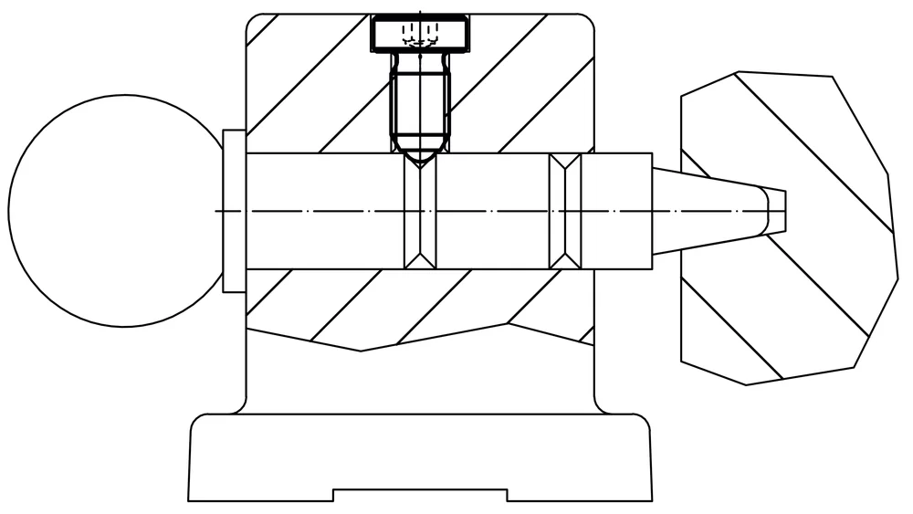
Bilyalı ve iç altıgenli setiskur vidalar, tespit veya basınç uygulama, tetikleme veya çıkarma amacıyla kullanılabilir.

Baş yapısı sayesinde hassas vidalama derinliği.


Yorum bulunamadı